全国服务热线
0755-29453557
网站首页
企业概况
产品展示
新闻中心
服务支持
在线留言
联系我们
热门关键词
固定翼系列无刷电机
多旋翼系列无刷电机
云台系列无刷电机
直升机系列无刷电机
固定翼系列无刷电机
多旋翼系列无刷电机
云台系列无刷电机
直升机系列无刷电机
电动滑板车系列无刷电机
园林工具电机
直流电机
防水电机
航模配件
内转子农业园林无刷电机
智能家居医疗器械家用电器玩具…
步进电机
减速电机
真空泵
气泵
水泵
联系我们
MORE+
联系电话:
0755-29453557
传真号码:
0755-29601363
联系地址:
广东省深圳市宝安区石岩街道永和路3号东兴威工业园
温度传感器
您当前的位置:首页>产品展示>
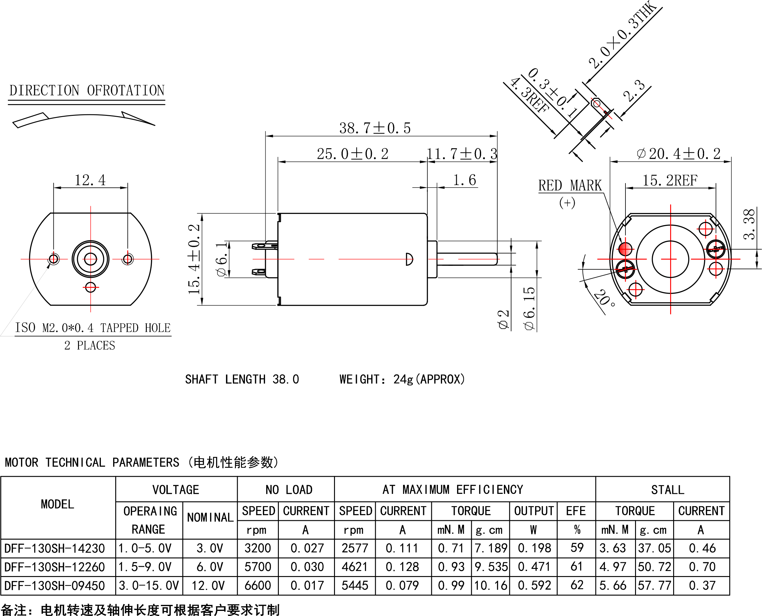
温度传感器
DFF-130SH
立即咨询>>
去购买>>
分享到:
产品详情
应用领域
版权所有 Copy Right(c) 2012-2013 深圳市东兴威电机有限公司
粤ICP备12090005号-1
技术支持:
源派网络